Опорный конспект по теме: «Приемно – контрольные приборы. Назначение и функции приемно – контрольных приборов. Классификация».
План
1. Приемно – контрольные приборы. Назначение и функции приемно – контрольных приборов.
2. Шлейф сигнализации. Контроль шлейфа сигнализации
3. Классификация приемно – контрольных приборов. Обобщенная структурная схема приемно – контрольного прибора.
1. Приемно – контрольный прибор (ПКП) – это техническое средство охранной сигнализации, являющееся промежуточным звеном между средствами обнаружения проникновения или пожара, задымленности (извещателями) и системами передачи извещений. ПКП относятся к техническим средствам контроля и регистрации информации. Они предназначены для непрерывного сбора информации от извещателей, включенных в шлейф сигнализации, анализа тревожной ситуации на объекте, формирования и передачи извещений о состоянии объекта на пульт централизованного наблюдения, а также управления местными световыми и звуковыми оповешателями и индикаторами. Кроме того, приборы обеспечивают постановку и снятие объекта с охраны, а также — электропитание извещателей. Приборы являются основными элементами, формирующими на объекте информационно-аналитическую систему охранной или охранно-пожарной сигнализации. Такая система может быть автономной или централизованной. При автономной охране приборы устанавливаются в помещении (пункте) охраны, размещаемом на охраняемом объекте или в непосредственной близости от него. При централизованной охране прибор приемно-контрольный передает в заданном виде информацию о состоянии объекта с помощью системы передачи извещений на пульт централизованного наблюдения.
2. Шлейф сигнализации (ШС) является одной из необходимых составных частей системы охранно-пожарной сигнализации объекта. Он представляет собой электрическую цепь, соединяющую выходные цепи охранных (пожарных) извещателей и включает в себя оконечные (выносные) элементы (диоды, резисторы и т.п.) и соединительные провода. Предназначен для передачи на приемно-контрольный прибор извещений о проникновении (попытке проникновения), пожаре и неисправности, а в некоторых случаях для подачи электропитания на охранные извещатели.
Причиной неустойчивой работы сигнализации на объекте являются нарушения шлейфа. Они представляют собой отказ в виде обрыва или короткого замыкания в шлейфе, происходящих в результате, как постепенного самопроизвольного ухудшения его параметров, так и умышленного вмешательства в электрическую цепь с целью нарушения его правильного функционирования. Таким образом, для обеспечения надежного функционирования прибора в широком диапазоне условий эксплуатации должен быть обеспечен оптимальный электрический режим работы шлейфа сигнализации. Кроме того, в приборе должна быть обеспечена защита от электромагнитных помех, а также защита от импульсов высокого напряжения в шлейфе сигнализации. Современным требованием к прибору является также возможность питания и совместной работы по шлейфу сигнализации с токопотребляющими охранными и активными пожарными извещателями. Выполнение перечисленных требований к прибору в значительной степени определяется используемым в нем методом контроля шлейфа сигнализации. Отличительными признаками применяемого метода контроля являются состав и тип радиоэлементов нагрузки шлейфа сигнализации. Наиболее распространенные методы контроля шлейфа сигнализации:
- с питанием шлейфа сигнализации постоянным током и используемым в качестве выносного элемента резистором;
- питанием шлейфа сигнализации знакопеременным импульсным напряжением и используемыми в качестве нагрузки последовательно соединенными резистором и полупроводниковым диодом;
- питанием шлейфа сигнализации пульсирующим напряжением и используемым в качестве выносного элемента конденсатором.
В методе контроля шлейфа сигнализации с питанием его постоянным током осуществляется непрерывный контроль входного сопротивления шлейфа сигнализации. Этот метод контроля получил широкое распространение из-за своей простоты, однако он требует относительно благоприятных условий для эксплуатации шлейфа сигнализации и его тщательного технического обслуживания.
3. Классификация приемно – контрольных приборов. Обобщенная структурная схема приемно – контрольного прибора.
Приемно – контрольные приборы в зависимости от количества контролируемых шлейфов подразделяются на:
- ПКП малой информационной емкости (до 5 контролируемых шлейфов); к ним относятся: Аларм-3, Аларм-10 (Исп.А), А6-02, А6-04;
- ПКП средней информационной емкости (от 6 до 50 шлейфов); к ним относятся: Аларм-5, Аларм-10 (исп. В), ПКП-8, А6-06.
- ПКП большой информационной емкости (свыше 50 контролируемых шлейфов); к ним относятся: Аларм-7М.
Обобщенная функциональная схема приемно-контрольного прибора малой информационной емкости приведена на Рис.1.

Рис.1. Обобщенная функциональная схема ПКП малой информационной емкости.
Шлейф сигнализации с извещателями подключается к блоку контроля, который осуществляет его электропитание и анализ по нескольким параметрам, позволяющим выделить сигнал при срабатывании извещателя или нарушении нормального состояния шлейфа (его обрыв или короткое замыкание) и отличить его от возможного сигнала помехи.
Если контролируемые параметры шлейфа сигнализации превышают установленные пороговые значения, то на выходе блока контроля формируется сигнал тревоги. Он поступает в блок обработки, в котором осуществляется логический анализ и формирование выходных сигналов, управляющих блоком включения оповещателей, а также блоком формирования извещений. Блок обработки определяет тактику «сдачи/снятия» объекта с охраны, режим включения светового и звукового оповещателей, параметры формируемых извещений.
Блок включения оповещателей осуществляет управление оповещателями, включение их в непрерывный или мигающий режим. Блок формирования извещений обеспечивает связь прибора с пультом централизованного наблюдения, передавая извещения о нормальном или тревожном состоянии объекта. Блок питания обеспечивает электропитание блоков прибора. При отключении напряжения питания основного источника должен автоматически осуществляться переход на питание от резервного источника.
Контрольные вопросы
1. Назначение ПКП.
2. Что представляет собой шлейф сигнализации?
2. Какие методы контроля шлейфа сигнализации вы знаете?
4. Как классифицируются ПКП?
Материал можно СКАЧАТЬ
Презентацию "ПКП Аларм-3а" можно СКАЧАТЬ
Презентацию "Монтаж и ТО ПКП Аларм-5/4" можно СКАЧАТЬ
Презентацию "ПКП-4М" можно СКАЧАТЬ
Презентацию "Устройство, монтаж и ТО ПКП Аларм-5" можно СКАЧАТЬ
Презентацию "Устройство, монтаж и ТО ПКП Аларм-10" можно СКАЧАТЬ
Презентацию "ПКП Аларм-12" можно СКАЧАТЬ
Презентацию "ПКП ПКО-8Е" можно СКАЧАТЬ
Презентацию "ПКП Аларм-11" можно СКАЧАТЬ
Презентацию "ПКП Аларм-3" можно СКАЧАТЬ
Презентацию "ПКП Аларм-12" можно СКАЧАТЬ
Опорный конспект по теме: Устройство приемно-контрольного прибора «ПКО-8/4 GSM»
Приборы ПКО-8 GSM предназначены для контроля состояния шлейфов охранной и (или) тревожной сигнализации с соответствующей индикацией состояния на лицевой панели и выдачи сигналов управления на светозвуковой оповещатель и (или) ПЦН.
Приборы ПКО-8/6GSM и ПКО-8/4GSM являются шести- и четырёх-шлейфными модификациями прибора ПКО-8GSM.
Приборы ПКО-6 3G и ПКО-4 3G являются шести- и четырёх-шлейфными модификациями прибора ПКО-8 3G.
Приборы обеспечивают:
- автономную работу без передачи сообщений;
- передачу сообщений посредством SMS на мобильные телефоны;
- работу с СПИ «Новатех-РДО» по каналу сотовой связи стандарта GSM 900/1800 (ПКО-8GSM, ПКО-8 3G и их модификации) и GSM/UMTS 900/2100 (ПКО-8 3G и его модификации);
- контроль шлейфов охранной и (или) тревожной сигнализации (количество контролируемых шлейфов в зависимости от исполнения прибора);
- определение до 4-х состояний шлейфа: обрыв, норма, короткое замыкание, тревога.
- разбиение в произвольном порядке шлейфов на четыре зоны постановки/снятия;
- подключение четырёх УД (считывателей), с раздельной индикацией состояния каждой зоны;
- подключение УД с тамперными выводами;
- подключение СЗО;
- подключение кнопки подтверждения снятия с охраны;
- подключение до двух SIM-карт операторов сотовой связи с возможностью резервирования каналов связи с автоматическим переходом между ними. Способ резервирования – один активный и один пассивный каналы;
- индикацию состояния прибора (светодиоды на передней панели прибора, светодиоды устройства доступа, встроенный зуммер):
- световую и звуковую индикацию неисправностей в системе (отсутствие 220 В, разряд АКБ, неисправность в шлейфах, обрыв шлейфа СЗО, вскрытие прибора);
- отображение состояния системы: «На охране», «Тревога», «Неисправность»;
- отображение наличия обмена данными с ПЦН;
- автовосстановление состояния ШС («На охране», «Снято») при пропадании и восстановлении питания прибора;
- контроль обрыва шлейфа СЗО и датчика вскрытия корпуса прибора;
- контроль обрыва светодиода УД;
- постановку/снятие с охраны при помощи электронных ключей iButton.
Прибор приемно-контрольный ПКО-8/4GSM контролирует четыре шлейфа сигнализации. Информация о состоянии прибора и состоянии шлейфов отображается на лицевой панели прибора. Сообщения о состоянии прибора передаются на ПЦН по GSM-каналу. К приборам могут быть подключены СЗО общей мощностью до 1,2 Вт, четыре устройства доступа с индикацией состояния каждой зоны и кнопка «Подтверждение снятия». Для подключения питания внешних устройств, приборы имеют выход питания.
Приборы состоят из:
– пластикового корпуса;
– платы управления с платой индикации;
– блока питания;
– сетевого клеммника с предохранителем;
– аккумулятора.
Корпус выполнен из ударопрочного пластика, снабжён снимающейся передней крышкой, которая фиксируется в закрытом положении винтом в нижней части корпуса. В средней части корпуса (слева) располагается сетевой клеммник с предохранителем для подключения прибора к сети 220 В и заземлению, а также элементы для ввода сетевого кабеля. Рядом с сетевым клеммником нанесена маркировка контактов данного клеммника. Также на основании корпуса имеются отверстия для вывода кабелей из прибора. Для вывода проводов за пределы корпуса в его основании имеются окна и локальные утонения материала, которые при необходимости удаляются механическим способом. В средней части корпуса под платой управления закреплён блок питания прибора. На крышку корпуса выведены светодиоды индикации состояния электропитания – «Питание», состояния прибора и ШС – «Тревога», «Неисправность» и «Шлейфы», состояния связи – «Связь».
Платы управления и индикации (Рис.1) установлены внутри корпуса прибора в центральной части. Платы реализуют функциональные возможности прибора. Плата управления имеет клеммы (Таблица 1) и разъёмы. Разъём XP4 «Програм.» предназначен для подключения адаптера программирования АП-USB. Разъём XP6 «ПР-100» предназначен для подключения пульта программирования ПР-100. На плате управления установлен микропроцессор, версия ПО которого указана на этикетке. Тампер (на плате индикации) предназначен для контроля вскрытия корпуса прибора.
Таблица 1. Назначение контактов клемм платы управления.

Рис. 1. Плата управления прибора.
Постановка/снятие на охрану ключом «Хозяин»
Постановка ШС на охрану производится приложением запрограммированного ключа «Хозяин» к УД, при этом светодиоды шлейфов начнут мигать красным цветом с частотой 1 Гц, а затем загорятся красным цветом постоянно. При разбиении прибора на несколько зон, постановка производится отдельно своим ключом для каждой зоны.
Снятие с охраны производится приложением запрограммированного ключа «Хозяин» к УД, при этом светодиоды снимаемых ШС погаснут. При разбиении прибора на несколько зон, снятие производится отдельно своим ключом для каждой зоны. При запрограммированной кнопке «Подтверждения снятия», после приложения ключа «Хозяин» к УД, нажмите на кнопку «Подтверждения снятия» в течение времени, отведённого на подтверждение.
Постановку ШС на охрану и снятие с неё возможно осуществлять и с помощью мобильного телефона.
Постановка/снятие на охрану с мобильного телефона хозяина производится путём набора номера SIM-карты прибора на мобильном телефоне. На мобильном телефоне пойдёт вызов, а через 2-3 гудка пройдёт отбой. Через некоторое время (до 1 мин.) на мобильный телефон придёт SMS-сообщение от прибора с надписью «Под охрану – ключ Х» (где «Х» это номер ключа хозяина, которым проводится постановка прибора на охрану). Объект стал на охрану. Снятие прибора с охраны с телефона хозяина производится путём повторного набора номера SIM-карты прибора на мобильном телефоне. На мобильном телефоне пойдёт вызов, а через 2-3 гудка пройдёт отбой. Через некоторое время (до 1 мин.) на мобильный телефон придёт SMS-сообщение
от прибора с надписью «С охраны – ключ Х» (где «Х» это номер ключа хозяина которым проводится снятие прибора с охраны). Объект снялся с охраны. После проведения проверки на постановку/снятие на охрану необходимо связаться по телефону с оператором ПЦН (при работе с СПИ) и проверить соответствие полученных на ПЦН извещений выполненным Вами действиям.
Таблица 2. Технические характеристики прибора.
Конфигурации приборов могут быть запрограммированы одним из нескольких способов на выбор:
− при помощи ПЭВМ с использованием адаптера программирования АП-USB и специализированного программного обеспечения;
− при помощи пульта ПР-100 и соответствующих таблиц программирования.
Программирование параметров приборов при помощи ПЭВМ является одним из наиболее удобных способов. Данный вариант программирования даёт возможность создавать архив и хранить в виде файлов на ПЭВМ программные настройки каждого прибора, что позволяет восстановить в любой момент полную конфигурацию прибора на любом из объектов.
Конфигурации приборов содержат следующие программные страницы:
− «Прибор»: задаются общие свойства прибора, осуществляется выбор режима функционирования;
− «Шлейфы»: определяются параметры каждого из шлейфов сигнализации и их соответствие зонам;
− «Звуковая сигнализация»: задаются параметры работы устройств оповещения (зуммер, СЗО);
− «КЛЮЧИ»: вводятся ключи пользователей («ХОЗЯИН», «ГЗ», «МОНТЁР»).
Материал можно СКАЧАТЬ
Презентацию "ПКП ПКО 8/6 GSM" можно СКАЧАТЬ
Презентацию "Устройство, монтаж и ТО ПКП ПТО8/4 GSM" можно СКАЧАТЬ
Опорный конспект по теме: «Приемно – контрольный прибор А6-06»
План
1. Приемно – контрольные приборы серии «А6».
2. Технические характеристики приемно – контрольного прибора А6-06.
1. Приборы «А6» – многофункциональные технические устройства, предназначенные для построения многоуровневых систем безопасности отвечающих самым современным требованиям. К ним относятся приемно – контрольные приборы А6-02, А6-02а, А6-04, А6-06, А16-512.
Применение приборов «А6» возможно как в локальных системах безопасности, так и в широко распространенных системах мониторинга с организацией оперативного вывода информации на верхний уровень – пульты централизованного наблюдения (ПЦН).
При построении систем безопасности локальных объектов возможно применение прибора, как самостоятельное устройство (автономный режим), так и с объединением в интегрированную систему (сетевой режим). При этом предусматривается несколько вариантов организации сети, которые отличаются составом оборудования, используемыми линиями связи и функциональными возможностями.
При использовании приборов «А6» в составе систем мониторинга, в качестве каналов связи прибора с ПЦН могут использоваться:
− радиоканал в частотном диапазоне 135…175 МГц;
− радиоканал 433,92 МГц;
− занятые абонентские линии ГТС;
− локальная сеть (Ethernet);
− GSM (GPRS, DATA, SMS).
Адаптация приборов «А6» для работы с различными коммуникаторами осуществляется подключением соответствующего модуля согласования.
2. Прибор А6-06 предназначен для контроля состояния шлейфов охранной, тревожной и (или) пожарной сигнализации, с соответствующей индикацией состояния на лицевой панели прибора, и на индикаторах выносных панелей управления, а так же выдачи сигналов оповещения на исполнительные устройства (зуммер, сирена, реле). В случае использования в системах пожарной сигнализации, прибор позволяет формировать сигнал запуска пожарных приборов управления АСПТ. При необходимости возможна организация последующей передачи информации об изменении состояния шлейфов сигнализации по абонентским линиям ГТС на ПЦН автоматизированной системы охранной сигнализации «Алеся».
При работе в составе АСОС «Алеся» прибор использует занятые абонентские линии ГТС, т.е. позволяет вести телефонные разговоры одновременно с передачей информации на ПЦН. Прибор также предназначен для работы в составе радиоканальных систем передачи извещений.
Возможно объединение приборов в интегрированную систему безопасности, в максимальной комплектации до 32-х приборов в сети по RS-485. При этом, предусматривается несколько вариантов организации сети, которые отличаются составом оборудования и функциональными возможностями.
Область применения прибора: системы охранно-тревожной сигнализации, пожарной сигнализации и управления контролем доступа, а также комплексы безопасности с совмещением функций вышеперечисленных систем в любом их сочетании. Приборы применяются для автономной и централизованной охраны от пожаров и несанкционированных проникновений на таких объектах, как квартиры граждан, магазины, отделения банков, аптеки, административные и производственные помещения.
Прибор А6-06 предназначен для установки внутри охраняемого объекта и рассчитан на круглосуточный режим работы. Конструкция прибора не предусматривает его использование в условиях воздействия агрессивных сред, пыли, а так же во взрывоопасных и пожароопасных зонах по ПУЭ. Информационная емкость прибора (количество подключаемых ШС) – 6;
Оконечный резистор охранного шлейфа– 1,5 кОм;
Оконечный резистор пожарного теплового шлейфа – 1,5 кОм;
Дополнительный резистор в пожарный тепловой извещатель – 1,5 кОм;
Максимально допустимое сопротивление охранного и теплового шлейфа (без учета сопротивления выносного элемента) не более 300 Ом;
Оконечный резистор шлейфа с 2-х - проводными дымовыми токопотребляющими извещателями – 2,7 кОм;
Максимально допустимое сопротивление шлейфа с 2-х проводными дымовыми извещателями (без учета сопротивления выносного элемента) не более 50 Ом;
Диапазон сопротивления охранного ШС:
в состоянии «Норма», кОм 1,2 - 1,8;
в состоянии «Тревога», кОм 0 - 1,2; более 1,8;
Сопротивление утечки между проводами ШС и (или) между каждым проводом и «землей» не менее 100 кОм;
Информативность прибора (количество выдаваемых извещений о состоянии охраняемого объекта, в том числе на ПЦН СПИ) -176;
Кнопка подтверждения снятия с охраны: 1; максимальное удаление от прибора, м 100;
Количество независимых каналов считывания ключей пользователей – 2;
Максимальное удаление устройства доступа от прибора - 80 м;
Типы и количество электронных ключей доступа, шт.:
− ключ «ХОЗЯИН» в автономном режиме работы: 79
− ключ «ХОЗЯИН» при работе в составе АСОС «Алеся»: 15
− ключ «ГЗ» (для сброса тревог): 15
− ключ «МОНТЕР» (для отметки обслуживающего персонала): 15
Опорный конспект по теме: «Приемно – контрольный прибор А6-06. Функциональные возможности. Состав»
План
1. Приемно – контрольный прибор «А6-06». Функциональные возможности
2. Состав приемно – контрольного прибора А6-06
3. Назначение ВПУ-А
1. Прибор А6-06 обеспечивает автоматический переход на работу от резервного источника питания, в случае отключения напряжения сети 220В, и обратно без выдачи тревожных извещений.
Типы извещателей, подключаемых в шлейф сигнализации прибора:
- охранные извещатели с нормально-замкнутыми или нормально-разомкнутыми контактами;
− тревожные кнопки с нормально-замкнутыми или нормально-разомкнутыми контактами;
- пожарные тепловые извещатели с нормально-замкнутыми или нормально-разомкнутыми контактами;
- пожарные дымовые 4-х проводные извещатели (питание отдельным шлейфом);
- пожарные дымовые 2-х проводные токопотребляющие извещатели (питание в шлейфе с допустимым диапазоном напряжения 9 - 14В);
- пожарные ручные извещатели.
Программно устанавливаемые типы шлейфов (для каждого ШС) - охранный;
24-х часовой (круглосуточный), тревожный, пожарный на 4 состояния; пожарный замкнутый (срабатывание на обрыв), пожарный разомкнутый (срабатывание на короткое замыкание), пожарный дымовой 2-х проводный; контроль пожаротушения и оповещения.
Программно устанавливаемые значения времени реакции шлейфа на срабатывание извещателей - 60, 250, 500, 750 мс.
Прибор обеспечивает контроль и индикацию четырех состояний любого ШС (кроме 2-х проводных дымовых) – обрыв, короткое замыкание, норма, тревога. Для 2-х проводных дымовых и тепловых извещателей прибор обеспечивает контроль и индикацию пяти состояний ШС – обрыв, короткое замыкание, норма, внимание, пожар.
В приборах программно устанавливается время задержки на вход и выход для охранных ШС в пределах от 1 до 255 с.
Прибор позволяет осуществлять постановку на охрану и снятие с охраны одновременно нескольких шлейфов, (количество шлейфов устанавливается программно) путем предъявления соответствующего ключа пользователя, в случае, когда эти шлейфы принадлежат одной зоне.
Прибор поддерживает работу со следующими типами ключей пользователей:
- ключи контактного способа считывания DS1990A, DS1991-DS1996;
- бесконтактные карточки Proximity;
- PIN-код, цифровой код, вводимый с выносной панели управления.
К прибору возможно подключение 2-х устройств доступа (считывателей), с возможностью организации двух независимых каналов считывания.
2. Принцип работы прибора А6-06 основан на анализе переходных процессов в шлейфах сигнализации, нагрузкой которых является оконечный резистор. Конструктивно прибор А6-06 представляет собой металлический корпус, в котором расположены все узлы и блоки прибора. Дверца корпуса фиксируется в закрытом положении винтом. В корпусе прибора на задней стенке имеются отверстия, предназначенные для крепления прибора и подводки проводов. Датчик вскрытия прибора (тампер) расположен на плате управления. Трансформатор встроенного источника питания и сетевая колодка закреплены на корпусе прибора. Под платой управления прибора в корпусе располагаются отверстия для крепления стоек дополнительных модулей (модуля согласования ИСА-8, модуля релейного РМ-64, адаптера GSM). В нижней части корпуса прибора предусмотрено место для размещения аккумуляторной батареи емкостью до 7А*ч (типа НР 1270). Батарея подключается к соответствующим клеммам платы управления. На плате управления прибора предусмотрена колодка, в которой устанавливается энергонезависимая микросхема памяти.
3. ВПУ-А - выносная панель управления (светодиодная клавиатура) предназначена для работы в составе прибора А6-06 и служит для контроля за состоянием ШС и системы (тревога, пожар, неисправность), а также для осуществления операций постановки на охрану и снятия с охраны ШС (зон). Питание светодиодной клавиатуры осуществляется от платы управления прибора 12В. К прибору А6-06 возможно подключение до двух ВПУ-А. Подключение ВПУ-А осуществляется к свободному контакту TP.

Рисунок 1. Внешний вид прибора А6-06

Рисунок 2. Внешний вид светодиодной клавиатуры ВПУ-А
Назначение светодиодов клавиатуры ВПУ-А. Все светодиоды клавиатуры выделяются в две группы: светодиоды состояния шлейфов сигнализации (Таблица 1) и светодиоды состояния прибора (Таблица 2).
Таблица 1. Индикация св/д состояния шлейфов прибора А6-06 на ВПУ-А
|
РЕЖИМ РАБОТЫ СВЕТОДИОДА |
ИНДИЦИРУЕМОЕ СОСТОЯНИЕ |
|
не светится |
шлейф в норме, не на охране |
|
Красное свечение |
|
|
светится постоянно |
шлейф в норме, на охране |
|
пульсирует медленно (1 раз в 1 с) |
шлейф берется на охрану либо идет передача ключа «ГЗ», «МОНТЕР» на ПЦН АСОС «Алеся» |
|
пульсирует очень быстро (4 раза в 1 с) |
шлейф в состоянии «Тревога» («Пожар») |
|
Зеленое свечение |
|
|
светится постоянно |
шлейф нарушен, не на охране |
|
Желтое (оранжевое) свечение |
|
|
пульсирует быстро (3 раза в 1 с) |
пожарный шлейф в состоянии «Неисправность» «Неисправность» |
|
Красно-зеленое свечение |
|
|
пульсирует попеременно |
пожарный шлейф в состоянии «Внимание» |
Таблица 2. Режимы индикации св/д состояния прибора А6-06 на ВПУ-А.
|
НАИМЕНОВАНИЕ |
РЕЖИМ РАБОТЫ СВЕТОДИОДА |
ИНДИЦИРУЕМОЕ СОСТОЯНИЕ |
|
«ПИТАНИЕ» |
не горит |
прибор выключен |
|
горит постоянно |
питание в норме |
|
|
пульсирует медленно (1 раз в 2 с) |
разряжен или отсутствует аккумулятор |
|
|
пульсирует быстро (2 раза в 1 с) |
нет сетевого питания (220В) |
|
|
пульсирует очень быстро (4 раза в 1 с) |
нет сети и разряжен аккумулятор |
|
|
«ТРЕВ-ОХР» |
не горит |
система снята с охраны |
|
горит постоянно |
система поставлена на охрану |
|
|
медленно пульсирует (1 раз в 1 с) |
взятие шлейфов на охрану, считывание ключа в режиме «Алеся» |
|
|
быстро пульсирует (4 раза в 1 с) |
«Тревога» в системе |
|
|
«ПОЖАР» |
не горит |
нет тревог в пожарных шлейфах |
|
медленно пульсирует (2 раза в 1 с) |
«Внимание» в пожарных шлейфах |
|
|
быстро пульсирует (4 раза в 1 с) |
«Пожар» в пожарных шлейфах |
Опорный конспект по теме: «Приемно – контрольный прибор А6-06.
Плата управления»
План
1. Приемно – контрольный прибор А6-06. Плата управления прибора
2. Назначение элементов на плате прибора А6-06
1. Внешний вид платы управления прибора А6-06 представлен на рисунке 3.

Рисунок 3. Внешний вид платы управления прибора А6-06
2. На плате управления расположены элементы:
1.Предохранители:
- FU1 – цепь аккумулятора (2А);
- FU2 – выход питания внешних устройств (1А);
- FU3 – выход технических средств оповещения (1А).
2. Разъемы:
-ХР1 – подключение модулей согласования (ИС-232, ИС-485, ИС-USB, ИС-ETHERNET, пульта ПР-1);
- ХР2 – подключение модуля согласования ИСА-8 для работы в составе АСОС «Алеся»;
- ХР3 – подключение модуля релейного РМ-64 (РМ-64-2, РМ-64, РМ-64-6);
- ХР4 – подключение модулей согласования (ИС-RF, ИС-ПЦН, ИС-GSM);
- ХР5 – технологический.
3. Перемычки:
- JP2 – включение/выключение зуммера;
- JP4 – обнуление памяти прибора (для обнуления памяти прибора необходимо: замкнуть перемычку JP4, включить питание прибора; дождаться режима «ТЕСТ» (перезапуск прибора); снять перемычку JP4).
- JP5 … JP10 – предназначены для выбора типа шлейфа (нижнее положение – охранно/тревожные и тепловые извещатели, верхнее - двухпроводные дымовые токопотребляющие извещатели).
Таблица 3. Режимы индикации св/д состояния прибора А6-06
|
НАИМЕНОВАНИЕ |
РЕЖИМ РАБОТЫ СВЕТОДИОДА |
ИНДИЦИРУЕМОЕ СОСТОЯНИЕ |
|
«ПИТАНИЕ» |
не горит |
прибор выключен |
|
горит постоянно |
питание в норме |
|
|
пульсирует медленно (1 раз в 2 с) |
разряжен или отсутствует аккумулятор |
|
|
пульсирует быстро (2 раза в 1 с) |
нет сетевого питания (220В) |
|
|
пульсирует очень быстро (4 раза в 1 с) |
нет сети и разряжен аккумулятор |
|
|
«ТРЕВОГА» |
не горит |
система снята с охраны |
|
горит постоянно |
система поставлена на охрану |
|
|
медленно пульсирует (1 раз в 1 с) |
взятие шлейфов на охрану, считывание ключа в режиме «Алеся» |
|
|
быстро пульсирует (4 раза в 1 с) |
«Тревога» в системе |
|
|
«ПОЖАР» |
не горит |
нет тревог в пожарных шлейфах |
|
быстро пульсирует (4 раза в 1 с) |
«Пожар» в пожарных шлейфах |
|
|
« » |
режим работы задается программно |
|
4. Светодиоды на плате прибора:
- VD1 – индикация наличия напряжения на выходе питания внешних устройств;
- VD2 – индикация наличия опроса прибора (при подключении модулей
ИС-485, ИС-232, ИС-USB, ИС-ETHERNET, ПР-1).
На плате управления прибора «А6» предусмотрены контакты AR1 – AR6, индицирующие состояние зон, при необходимости, к данным контактам возможно подключение отдельных светодиодов (+ св/диода) для отображения состояния зон охраны.
Таблица 4. Назначение контактов прибора А6-06
|
КОНТАКТ |
НАЗНАЧЕНИЕ |
|
~ U |
~ U питания с трансформатора |
|
+- BAT |
«+-» Выходы для подключения АКБ |
|
+- 12V |
«+-12В» Выходы питания внешних устройств |
|
+- BELL |
«+-» Выход шлейфа для подключения ТСО и общий |
|
Z1 ┴ Z6 |
Шлейфы №1-6 |
|
KEY |
Кнопка подтверждения снятия, кнопка сброса |
|
TMP |
Тамперный шлейф (для тампера УД и извещателей) |
|
LD1, LD2 |
Светодиод устройства доступа №1, №2 |
|
┴ |
Общий для устройства доступа №1,№2 |
|
TP1, TP2 |
Сигнальный провод устройства доступа №1 (Touch Memory) |
|
AR1-AR6 AR6 |
Индикация состояния 1-й – 6-ой зоны |
|
C |
Общий контакт реле с указанием № реле |
|
NC, NO |
Нормально-замкнутый и нормально - разомкнутый контакты реле указанием № реле |
Для индикации состояния шлейфов сигнализации используются трехцветные светодиоды - «ШЛЕЙФ 1» - «ШЛЕЙФ 6».
Таблица 5. Режимы индикации св/д состояния шлейфов А6-06
|
РЕЖИМ РАБОТЫ СВЕТОДИОДА |
ИНДИЦИРУЕМОЕ СОСТОЯНИЕ |
|
Свечение отсутствует |
|
|
свечение отсутствует |
шлейф в норме, не на охране |
|
Красное свечение |
|
|
светится постоянно |
шлейф в норме, на охране |
|
пульсирует медленно (1 раз в 1 с) |
шлейф берется на охрану (идет передача ключа «Хозяин» на ПЦН АСОС «Алеся») |
|
пульсирует очень быстро (4 раза в 1 с) |
«Тревога» в шлейфе |
|
Зеленое свечение |
|
|
светится постоянно |
шлейф нарушен, не на охране |
|
Желтое (оранжевое) свечение |
|
|
пульсирует быстро (3 раза в 1 с) |
«Неисправность» в пожарном шлейфе |
|
Красно-зеленое свечение |
|
|
пульсирует попеременно |
«Внимание» в пожарном шлейфе |
Материал можно СКАЧАТЬ
Презентацию "Устройство, монтаж и ТО ПКП А6-02а" можно СКАЧАТЬ
Презентацию "Устройство, монтаж и ТО ПКП А6-06" СКАЧАТЬ
Презентацию "Устройство, монтаж и ТО ПКП А6-02" можно СКАЧАТЬ
Презентацию "Устройство, монтаж и ТО ПКП А6-04" можно СКАЧАТЬ
Опорный конспект по теме: «Приемно – контрольный прибор
ПКП-4РДО. Функциональные возможности»
План
1. Приемно – контрольный прибор ПКП-4РДО, назначение
2. Устройство приемно – контрольного прибора ПКП-4РДО
3. Функциональные возможности
1. Прибор приемно-контрольный охранно-пожарный ПКП-4РДО предназначен для:
- контроля состояния четырех шлейфов охранной и пожарной сигнализации;
- визуальной и звуковой индикации состояния прибора и ШС;
- выдачи сигналов тревоги на СЗУ;
- передачи информации по радиоканалу об изменении состояния прибора и ШС на пульт централизованного наблюдения систем централизованного наблюдения «Андромеда», «Новатех-РДО», «Маяк»;
- бесперебойного питания внешних устройств напряжением 12В.
2. Металлический корпус прибора снабжен открывающейся передней крышкой, которая фиксируется в закрытом положении двумя винтами с правой стороны корпуса. В правом нижнем углу корпуса расположен понижающий трансформатор, закрытый защитным кожухом. Под защитным кожухом находятся колодка подключения к сети 220В и держатель сетевого предохранителя. На задней стенке корпуса имеется отверстие для проводки кабелей внутрь прибора. Плата управления ППКОП ПКП-4РДО устанавливается внутри корпуса прибора. Имеет контакты для подключения 4-х ШС, одного СЗУ (контролируемое на обрыв), двух УД со светодиодами, разъемы подключения дополнительных модулей системы и пульта программирования ПР-100 (АП-1). На плате управления установлены: процессор, светодиоды для индикации состояния шлейфов и системы, тампер прибора, зуммер и реле (релейные выходы используются для организации ключей ПЦН и сброса дымовых извещателей).
В состав входит прибор передающий охранно-пожарной сигнализации П-160. Он предназначен для использования прибора ПКП-4РДО в системе радиоохраны совместно с системами оповещения «Андромеда», «Маяк», «Новатех-РДО». Релейный модуль РМ-164Н устанавливается внутри корпуса прибора и подключается к плате управления. На модуле имеется 4 реле, служащих для организации ключей ПЦН и сброса питания двухпроводных дымовых извещателей. Шлейфный модуль ШМ-41 предназначен для объединения в один шлейф двух рубежей охраны с различением сигнала тревоги по рубежам на пульте централизованного наблюдения системы радиоохраны «Андромеда». При использовании ШМ-41 совместно с извещателями, имеющими раздельные релейные выходы возможно получение двух рубежей охраны на одном извещателе (периметр и объем), что позволяет расширить возможности ПКП-4РДО до 8 шлейфов (4 рубежа охраны периметра и 4 рубежа охраны объема). ЖКИ-клавиатура КП-4 предназначена для работы в составе приборов ПКП-4РДО и служит для контроля за состоянием охранных, пожарных и тревожных шлейфов сигнализации. Устройство доступа УД-1 предназначено для считывания электронных ключей, индикации процесса обработки ключей, а также индикации общего состояния (Норма, Охрана, Тревога) соответствующей зоны. Батарея резервного питания (АКБ) располагается в левом нижнем углу корпуса прибора. Имеет емкость до 7А·ч. Батарея подключается к соответствующим клеммам платы управления ПКП-4РДО.
Рисунок 1. Схема системы на основе ПКП-4РДО
3. Приемно – контрольный прибор ПКП-4РДО имеет следующие функциональные возможности: программирование прибора при помощи пульта ПР-100, АП-1, КП-4.
- автовосстановление состояния охранных шлейфов при пропадании и восстановлении питания прибора, (автовосстановление охранных шлейфов в тревоге применяется только при работе прибора в автономном режиме).
- контроль 4-х шлейфов охранной и пожарной сигнализации.
- программирование частоты передачи сообщений. Сообщения могут передаваться как на двух частотах попеременно независимо от их типа, так и раздельно – тревожные сообщения на тревожной частоте, обычные сообщения на служебной частоте.
- постановка/снятие с охраны при помощи электронных ключей iButtons, PIN-кода с клавиатуры КП-4 или механическим замком, расположенным на корпусе прибора ПКП-4РДО.
- кнопка подтверждения снятия с охраны.
- различение 4-х состояний шлейфа.
- контроль состояния сетевого питания и АКБ, автоматический заряд батареи. Время непрерывного заряда АКБ 10 минут.
- контроль обрыва шлейфа СЗУ и датчика вскрытия корпуса прибора. - световая и звуковая индикация неисправностей в системе (отсутствие 220В, разряд АКБ, неисправность в шлейфах, обрыв шлейфа СЗУ, обрыв светодиодов УД). Предусмотрена возможность блокировки индикации неисправностей охранных шлейфов не на охране.
- отображение состояния системы: «Пожар», «Охрана», «Тревога», «Авария».
- выдача сообщения о подборе ключа по событию «Подбор ключа» и игнорирование в течение 15 минут дальнейших подборов.
- индикация состояния прибора: светодиоды на передней панели прибора, светодиоды устройства доступа.
Опорный конспект по теме: «Приемно – контрольный прибор
ПКП-4РДО. Плата управления»
План
1. Технические характеристики ПКП-4РДО
2. Плата управления
3. Назначение элементов на плате управления ПКП-4РДО
1. Таблица 1. Технические характеристики прибора ПКП-4РДО.
|
№ п/п |
Параметр |
Значение |
|
1 |
Встроенный блок питания 1. Номинальное напряжение питания (входное) 2. Отклонение напряжения от номинального значения, не более, % 3. Ток потребления прибора от сети 220В, мА, не более 4. Выходное напряжение, В |
220В, 50Гц -15…+10 150 13,0±1,3 |
|
2 |
Аккумулятор 1. Номинальные характеристики 2. Время работы прибора от АКБ, ч, не менее 3. Отключение прибора при напряжении на АКБ, В 4. Ток заряда АКБ (при разряде до 10В), А, не более 5. Режим заряда |
12В, 7А·ч 24 10,3±0,3 0,6 управляемый |
|
3 |
Шлейфы 1. Базовое количество шлейфов сигнализации 2. Максимальное количество шлейфов сигнализации 3. Время реакции шлейфа (программируемое), мс 4. Отклонение времени реакции, %, не более 5. Время цикла опроса шлейфов, мс 6. Оконечный резистор шлейфа, кОм 7. Дополнительный резистор теплового извещателя, кОм 8. Сопротивления шлейфа, Ом, не более 9. Сопротивления утечки, кОм, не менее 10. Диапазон сопротивления шлейфа в состоянии "Тревога", кОм 11. Напряжение в шлейфе, В 12. Ток в шлейфе, мА |
4 8 70, 750 15 16 1,5 2,7 330 20 <1,2; >1,9 12 3,5 |
|
4 |
Максимальное число ключей доступа, шт: 1. Ответственных лиц («Хозяин») 2. Группы задержания («ГЗ») 3. Электромонтеров («Монтер») |
15 10 12 |
|
5 |
Выход питания внешних устройств |
12В; 0,5А |
|
6 |
Выход питания СЗУ |
12В; 0,5А |
|
7 |
Кнопка подтверждения снятия, шт Максимальное расстояние от прибора, м |
1 100 |
|
8 |
Количество устройств доступа, шт Максимальное расстояние от прибора, м |
2 50 |
|
9 |
Зуммер программируемый, шт Уровень громкости, дБ, не менее |
1 60 |
|
10 |
Реле (1А, 12В DC / 1A, 120В AC), шт |
1 |
|
11 |
Диапазон рабочих температур, ºС (отн. влажность до 95% без конденсации влаги) |
+5…+40 |
|
12 |
Габаритные размеры, мм, не более |
245×264×100 |
|
13 |
Масса (без АКБ), кг, не более |
3,2 |
|
14 |
Срок службы, лет, не менее |
8 |
2. Плата управления ПКП-4РДО (рисунок 2) реализует функциональные возможности прибора. Она имеет клеммы для подключения шлейфов сигнализации, СЗУ, АКБ, питания платы, УД (замок постановки/снятия на корпусе ПКП-4РДО), кнопки подтверждения снятия. На плате управления установлен процессор, кнопка «СБРОС», предназначенная для перезапуска прибора, индикаторные светодиоды, предохранители, группа перемычек. Разъем XP1 предназначен для подключения пульта программирования ПР-100. Разъем XP2 является технологическим. Разъем XP3 предназначен для подключения релейного модуля РМ-168Н. Разъем XP4 предназначен для подключения прибора П-160.
3. Назначение светодиодов ПКП-4РДО.
Светодиоды предназначены для индикации состояния ШС и индикации состояния системы. На плате установлены четыре трёхцветных светодиода (зеленый, красный, желтый) для индикации состояния ШС, три одноцветных светодиода для индикации состояния системы и один двухцветный светодиод для индикации питания прибора.
Зеленый цвет светодиодов шлейфов (ШС не на охране):
- горит постоянно – КЗ охранного ШС;
- мигает с частотой 4Гц – обрыв охранного ШС;
- мигает с частотой 1Гц – нарушение охранного ШС с 4-мя состояниями;
- не горит – охранный ШС в норме.
Красный цвет светодиодов шлейфов (ШС на охране):
- горит постоянно – ШС на охране;
- мигает с частотой 4Гц–«Тревога» в охранном или «Пожар» в пожарном ШС; - мигает с частотой 1Гц – постановка на охрану охранного ШС.
Жёлтый цвет светодиодов шлейфов (пожарные ШС):
- горит постоянно – КЗ пожарного ШС;
- мигает с частотой 4Гц – обрыв пожарного ШС.
Светодиод «Тревога» мигает с частотой 4Гц – тревога в охранных ШС.
Светодиод «Пожар» мигает с частотой 4Гц – тревога в пожарных ШС.
Светодиод «Авария» мигает с частотой 4Гц – неисправность в системе (отсутствие 220В, разряд АКБ, срабатывание тампера, обрыв СЗУ, неисправность любого ШС);
Светодиод «Питание»:
- горит зеленым цветом – питание от сети 220В;
- горит красным цветом – нет сети 220В, питание от АКБ.
Светодиод УД:
- горит – все ШС зоны стоят на охране;
- мигает с частотой 4Гц – тревога в системе;
- мигает с частотой 1Гц – ставится на охрану.
Назначение перемычек платы управления ПКП-4РДО.
- S1…S4 – питание для двухпроводных дымовых извещателей;
- S5 – регулирует громкость зуммера;
Назначение предохранителей платы управления ПКП-РДО.
- FU1 (3А) – защита от перегрузки прибора при питании от АКБ;
- FU2 (2А) – внутренняя защита блока питания прибора;
- FU3 (1А) – защита от перегрузки по выходу на СЗУ.

Рисунок 2. Схема платы управления прибора ПКП-4РДО
Звуковая сигнализация прибора ПКП-4РДО. Сигналы зуммера:
- короткие сигналы с длинными паузами – неисправность сетевого питания, АКБ, обрыв СЗУ, неисправность в пожарных ШС;
- прерывистый сигнал – тревога в пожарных ШС;
- 1 короткий сигнал – считан ключ («Монтер», чужой);
- 2 коротких – взятие на охрану ключом «Хозяин»;
- 3 коротких – снятие с охраны ключом «Хозяин» либо отметка ключом «ГЗ»;
- 1 длинный – попытка взятия на охрану при нарушенных ШС, тампере или СЗУ;
− постоянный сигнал – тревога в охранных ШС, вскрытие прибора на охране.
Сигналы сирены:
− постоянный сигнал – тревога в охранных ШС;
− прерывистый сигнал – тревога в пожарных ШС.
Материал можно СКАЧАТЬ
Презентацию "ПКП-4РДО" можно СКАЧАТЬ
Презентацию "ПКП-8РДО" можно СКАЧАТЬ
Опорный конспект
ПРИБОРЫ ПРИЕМНО-КОНТРОЛЬНЫЕ ОХРАННЫЕ «АЛАРМ-15», «АЛАРМ-15/6», «АЛАРМ-15/4»
Приборы предназначены для применения в системах централизованной или автономной охраны объектов. Приборы обеспечивают:
− контроль состояния до 8-ми, 6-ти и 4-х двухпроводных охранных и тревожных шлейфов сигнализации (ШС) соответственно.
− передачу информации об изменении состояния ШС и собственного состояния на пульт централизованного наблюдения (ПЦН) системы передачи извещений о проникновении и пожаре автоматизированной «АСОС Алеся» (СПИ) по ETHERNET/GPRS каналам связи» с использованием двух модемов NB-IoT;
− при установке двух SIM карт возможность передачи данных в сетях двух операторов сотовой связи и резервирование канала связи;
− загрузку и обновление ПО ППКО по командам с АРМ ДО ПЦН;
− отображение качества канала связи звуковыми сигналами с помощью ВЗО (5 раз) при вскрытии корпуса прибора;
− индикацию состояния ШС и собственного состояния;
− выдачу сигналов оповещения на внешний комбинированный (светозвуковой) оповещатель (СЗО);
− автономный режим работы без SIM карты;
− питание извещателей и других охранных устройств.
При подключении по стыку RS485:
модулей (до 3-х) расширения шлейфов сигнализации МРШС-8;
блока выносной индикации БВИ RS485 «Аларм» в симплексном режиме;
блока расширения шлейфов сигнализации радиоканального «Аларм-БРШС», либо радиорасширителя шлейфов сигнализации радиоканального «Астра-РИ-М РР»; дополнительно обеспечивают:
− контроль состояния до 24-х (двухпроводных, радиоканальных) ШС;
− индикацию контроля собственного состояния прибора, и до 32-х двухпроводных, радиоканальных ШС на индикаторах блока выносной индикации БВИ RS485;
− индикацию контроля состояния до 24-х двухпроводных, радиоканальных ШС на индикаторах блока выносной индикации БВИ.
Приборы поддерживает постановку ШС на охрану по команде с ПЦН. Приборы обеспечивают постановку и снятие с охраны электронными ключами доступа DS1990A, ключами доступа, защищенными от копирования, так же с помощью модуля доступа выносного МДВ-7/К. Программирование осуществляется с ПЭВМ, устройства соединительного УС-ППК, устройства соединительного беспроводного УСБ-ППК и специализированного ПО.
Приборы выпускаются в следующих исполнениях:
− исполнение «А» – обеспечивает контроль радиоканальных ОИ серии «АлармРК» с использованием «Аларм-БРШС»;
− исполнение «Б» – обеспечивает контроль радиоканальных ОИ системы «Астра РИ-М» производства компании «ТЕКО» с использованием Астра-РИ-М РР.
К одному радиоканальному ШС подключается один радиоканальный ОИ.
Прибор выпускается в пластмассовом корпусе. Прибор предназначен для непрерывной круглосуточной работы в закрытых помещениях при температуре от минус 30 до плюс 50 °С, относительной влажности воздуха не более 95 %.
ТЕХНИЧЕСКИЕ ПАРАМЕТРЫ
ФУНКЦИОНАЛЬНЫЕ ВОЗМОЖНОСТИ
Для режима работы на ПЦН:
- обмен информацией с ПЦН по каналам связи технологии NB-IoT двух операторов сотовой связи с использованием двух модемов NB-IoT.
- резервирование канала связи при установке двух SIM-карт (разных сотовых операторов).
- индикация наличия обмена данными с ПЦН на индикаторе ОБМЕН своей лицевой панели. Для каждого из модемов при передаче данных должен загораться индикатор определенного цвета (для одного – зеленый, для второго – красный).
- выдача на ПЦН извещений по ETHERNET/GPRS каналам связи».
- загрузка обновлений версии ПО в ППКО по командам с АРМ ДО ПЦН.
- ередача на ПЦН в реальном режиме времени текущего состояния канала сети сотовой связи GSM
- постановка на охрану и снятие с охраны ключами доступа электронными, ключами доступа, защищенными от копирования или набором кодов доступа на МДВ-7/К.
- автоматическая постановка на охрану тревожных круглосуточных ШС.
- автоматическое восстановление состояния «Охрана» тех ШС, которые были поставлены на охрану до выключения (перезапуска) прибора.
- выдача тревожных извещений при срабатывании ШС.
- выдача извещения «Тревога» с указанием номеров ШС, которые были поставлены на охрану до выключения (перезапуска) прибора, если после включения (перезапуска) ШС находятся в неисправном состоянии.
- ндикация о нарушении ШС, находящегося под охраной, на соответствующих ШС индикаторах своей лицевой панели, БВИ, БВИ RS485, после его снятия с охраны до повторной постановки на охрану (память сработки).
- хранение в ЭЗУ всех введенных при программировании параметров и кодов ключей доступа.
- снятие состояний «Тревога», «Экстренный вызов» ключами (кодами) доступа ответственных лиц охраняемой зоны, в которой произошло событие, либо ключом доступа ГЗ.
- выключение ВЗО и СЗО при снятии с охраны ШС, при отметке ГЗ или электромонтера и по окончании запрограммированной длительности звучания.
- выдачу извещения о вскрытии прибора и подключаемых к нему устройств, оборудованных тампер-контактами, а также, звуковое оповещение и световую индикацию вскрытия.
- автоматический переход с основного на резервное питание (при прерывании сети 220 В) и обратно (при восстановлении сети 220 В).
- автоматическое отключение АКБ при снижении напряжения на ней до 11 В.
- программирование ШС как: − охранный, − тревожный снимаемый, − тревожный круглосуточный.
- контроль состояния двухпроводных безадресных ОИ с нормально-замкнутыми (нормально-разомкнутыми) контактами, не потребляющими ток по цепи ШС.
Функциональные характеристики охранного ШС:
− включение ВЗО и СЗО при нарушении ШС;
− кратковременное включение ВЗО и СЗО при постановке на охрану/снятии с охраны ШС;
− возможность установки задержки срабатывания на выход/вход при постановке на охрану/снятии с охраны ШС от 30 до 240 сек с шагом 30 сек;
− кратковременное включение ВЗО и СЗО за 10 с до окончания временного интервала задержки на выход при постановке на охрану / вход при снятии с охраны ШС;
− кратковременное включение ВЗО и СЗО по окончании временного интервала задержки на выход при постановке на охрану / вход при снятии с охраны ШС;
− подтверждение снятия с охраны, отправка тревожного извещения, если после снятия с охраны этого ШС кнопка СНЯТИЕ не была нажата в течение запрограммированного времени или на МДВ-7/К не был набран индивидуальный код подтверждения снятия.
Функциональные характеристики тревожных ШС:
− контроль состояния тревожных кнопок;
− отправка тревожного извещения при изменении состояния тревожных кнопок.
- контроль состояния до 24-х двухпроводных, радиоканальных ШС при подключении МРШС-8, «Аларм-БРШС», «Астра РИ-М РР».
Прибор обеспечивает:
- визуальный контроль состояния прибора с помощью:
− индикаторов на лицевой панели прибора: «СЕТЬ», «ТРЕВОГА / НЕИСПРАВНОСТЬ», «ОБМЕН», индикаторов «1-8» состояния двухпроводных ШС;
− индикаторов состояния прибора «СЕТЬ», «ТРЕВОГА / НЕИСПРАВНОСТЬ», «ОБМЕН» и до 32-х двухпроводных, радиоканальных ШС, включая ШС прибора, на индикаторах блока выносной индикации БВИ RS485;
− индикаторов состояния двухпроводных, радиоканальных ШС «9-32» на лицевой панели БВИ;
− индикаторов состояния зон 1-8 на лицевой панели БИ-2.
Индикация состояния «Неисправность» при:
− неисправности прибора;
− отсутствии АКБ;
− сопротивлении ШС менее 1 кОм и более 4 кОм;
− вскрытии лицевой панели прибора (если ШС не были поставлены на охрану).
Плата прибора Аларм-15
МОНТАЖ ПКП «АЛАРМ-15»
Работы по монтажу, наладке, испытаниям и сдаче в эксплуатацию приборов проводить в соответствии с ТКП 490-2013 Министерства внутренних дел Республики Беларусь «Системы охранной сигнализации. Правила производства и приемки работ». Прибор устанавливается внутри охраняемого объекта в зоне уверенного приема сигнала сети сотовой связи GSM и защищенном от воздействия атмосферных осадков, возможных механических повреждений и доступа посторонних лиц. Место установки должно обеспечивать удобство подключения прибора к питающей сети и удобство работы с ним. Эксплуатационное положение вертикальное.
Для подключения устройств к прибору рекомендуется использовать кабель UTP CAT5. Суммарное сопротивление ШС, без учета выносного резистора, должно быть не более 0,47 кОм, сопротивление утечки между проводами ШС – не менее 20 кОм.
Выносной резистор 2,7 кОм подключается к незадействованной клемме каждого ШС. Незадействованная клемма ТМП должна быть подключена к клемме 0V.
СЗО рекомендуется устанавливать в месте, удобном для визуального и слухового восприятия.
УД устанавливается на расстоянии не более 250 м от прибора за пределами охраняемого помещения (постановка на охрану осуществляется без задержки на выход), либо внутри охраняемого помещения (постановка на охрану осуществляется с задержкой на выход). Если необходимо подключить несколько УД (МДВ-7/К) параллельно, суммарная длина соединительных проводов не должна превышать 250 м. МДВ-7/К может дополнительно использоваться для подтверждения снятия с охраны. Выносная кнопка СНЯТИЕ (МДВ-7/К при его использовании для подтверждения снятия с охраны) с нормально-разомкнутыми контактами устанавливается в потайном месте на расстоянии не более 200 м от прибора.
Максимальное длина кабеля UTP CAT5 между прибором и:
− МРШС-8 не более 1000 м
− «Аларм-БРШС» не более 1000 м
− «Астра РИ-М-РР» не более 1000 м
− БВИ RS485 не более 1000 м –
БВИ не более 15 м;
− БИ-2 не более 300 м.
АКБ устанавливается внутри корпуса прибора и подключается с помощью двух изолированных проводников с клеммами (красный проводник должен быть подключен к клемме «+» АКБ, черный к клемме «-» АКБ). Шнур для подключения прибора к сети 220 В не входит в комплект поставки. Для подключения прибора к сети 220 В необходимо использоваться гибкий шнур, соответствующий ГОСТ 7399-80, с проводами, имеющими двойную изоляцию. Номинальное сечение жилы провода – не менее 0,75 мм2.
Для выбора места установки прибора в месте уверенного приема сигнала сети сотовой связи GSM необходимо:
− установить SIM-карту;
− подключить АКБ, включить прибор;
− оставить вскрытым тампер прибора;
− дождаться установки соединения с оператором сети связи GSM;
− по звуковым сигналам определить качество канала связи:
• один кратковременный звуковой сигнал – качество канала «неудовлетворительное» или нет соединения с сетью передачи данных GSM;
• два кратковременных звуковых сигнала – качество сигнала «удовлетворительное»;
• три кратковременных звуковых сигнала – качество сигнала «отличное».
Монтаж прибора осуществляется в следующей последовательности:
− проверить соответствие номиналу предохранителя (0,5А);
− закрепить прибор на вертикальной поверхности саморезами (шурупами);
− подключить все входные и выходные цепи к клеммным колодкам прибора;
− прикрепить шнур питания 220 В к корпусу прибора стяжкой нейлоновой.
− подключить антенны к антенным входам прибора;
− проверить правильность выполнения соединений;
− установить и подключить АКБ;
− установить SIM-карты;
− закрыть лицевую панель.
Режимы индикации состояния прибора и ШС
Состояние индикатора СЕТЬ
• светится непрерывно зеленым – питание от сети 220 В;
• светится непрерывно красным – питание от АКБ;
• мигает зеленым цветом – АКБ разряжена, либо не установлена в приборе.
Контроль состояния АКБ проводится каждые 4 мин, в первый раз АКБ проверяется через 10 с после включения прибора.
Состояние индикаторов двухпроводных ШС прибора и БВИ
• светится зеленым – ШС в норме, не на охране;
• мигает зеленым – нарушен ШС, не на охране;
• светится красным – ШС в норме на охране;
• мигает красным – нарушен ШС, стоящий на охране;
• кратковременно меняет цвет –память срабатывания, обнуляется при следующей постановке сработавшего ШС на охрану. Номер индикатора соответствует номеру ШС.
Состояние индикатора ОБМЕН:
• не светится – нет связи;
Режим работы на ПЦН.
• кратковременно мигает – идет обмен по каналу связи GSM;
Для каждого из модемов должен загораться индикатор определенного цвета. (для правого – зеленый, для левого – красный)
Состояние индикатора ТРЕВОГА/НЕИСПРАВНОСТЬ:
• не светится – норма;
• мигает красным – ППКО в состоянии «ТРЕВОГА»;
• мигает зеленым – неисправность.
Состояние индикаторов БИ-2 и УД
• не светится – ШС зоны не на охране;
• светится красным – ШС зоны на охране;
• мигает красным – охранные ШС, принадлежащие зоне на охране, и по какому-либо из них возникла «Тревога»;
• мигает зеленым – попытка постановки на охрану зоны с неисправным ШС, либо открыта лицевая панель прибора.
Индикаторы БИ-2 отображают состояния охранных зон прибора, УД состояние зоны, к которой подключен индикатор УД.
Материал можно скачать СКАЧАТЬ
Презентацию можно скачать по ссылке СКАЧАТЬ
Опорный конспект
Приборы приёмно-контрольные охранные ППКО серии «А12»
План
1. Назначение ППКО А12
2. Функции приёмно-контрольного прибора А12
3. Устройство прибора А12
3.1. Состав прибора А12
3.2. Назначение элементов и схема подключения центральной платы
3.3. Назначение и режимы работы индикации
4. Основные технические характеристики ППКО А12
1. Приборы предназначены для контроля состояния шлейфов охранной сигнализации (ШС), индикации их состояния и состояния и режимов работы самих приборов на своей лицевой панели и обеспечивают приём, обработку, регистрацию и хранение сигналов от охранных извещателей и других технических средств, а также формирование и выдачу сигналов управления на световые, звуковые и светозвуковые оповещатели (СЗУ), исполнительные устройства, преобразование, хранение и выдачу сигналов тревоги на системы передачи извещений по различным каналам связи, а также бесперебойное питание подключенных к ним внешних устройств стабилизированным напряжением 12 В.
Область применения прибора: системы охранной, тревожной сигнализации и контроля и управления доступом, а также комплексы безопасности с совмещением функций вышеперечисленных систем в любом их сочетании.
По виду организации технических систем охраны на объектах приборы подразделяются на:
- автономные - предназначенные для обеспечения автономной сигнализации, при которой извещения о состоянии ШC и приборов выдаются на СЗУ и/или выносные панели, подключенные к приборам и расположенные на охраняемом объекте или посту физической охраны;
- локальной сигнализации - предназначенные для приема-передачи информации и сигналов управления посредством SMS-оповещения по GSM каналам связи на телефоны сотовой связи абонентов;
- централизованной сигнализации - предназначенные для передачи информации и приема сигналов управления от пультов централизованного наблюдения систем передачи извещений (ПЦН) по каналам связи Ethernet и/или GSM/GPRS/WCDMA/HSPA/LTE (2G, 3G, 4G), а также по каналам связи стандарта NB-IoT.
Для обеспечения заданных функций совместно с приборами могут использоваться другие изделия.
Приборы выпускаются в следующих исполнениях:
- прибор приемно-контрольный охранный ППКО А12/4 - прибор, обеспечивающий контроль до 4-х охранных, тревожных или технологических шлейфов;
- прибор приемно-контрольный охранный ППКО А12/6 – прибор, обеспечивающий контроль 6-и охранных, тревожных или технологических шлейфов;
- прибор приемно-контрольный охранный ППКО А12/8 – прибор, обеспечивающий контроль 8-ми охранных, тревожных или технологических шлейфов;
- прибор приемно-контрольный охранный ППКО А12/10 – прибор, обеспечивающий контроль 10-и охранных, тревожных или технологических шлейфов;
- прибор приемно-контрольный охранный ППКО А12/12 – прибор, обеспечивающий контроль 12-и охранных, тревожных или технологических шлейфов.
Для обеспечения заданных функций совместно с приборами дополнительно могут использоваться следующие модули:
- модуль связи МС-GSM - модуль, устанавливаемый в корпус ППКО и предназначенный для приема-передачи информации по двум каналам связи GSM/GPRS/WCDMA/HSPA/LTE (2G, 3G, 4G) , в том числе, для работы в составе СПИ;
- модуль связи МС-GSM (NB-IoT) - модуль, устанавливаемый в корпус ППКО и предназначенный для приема-передачи информации по двум каналам связи GSM стандарта NB-IoT;
- модуль согласования ИС-USB – для подключения ППКО к шине USB ПЭВМ и обеспечения обмена данными между ними.
2. Функции приёмно-контрольного прибора А12
Приборы А12 обеспечивают:
- формирование извещений для передачи их на СЗУ при автономном применении, на телефоны сотовой связи подключенных к приборам абонентов при работе в технических системах локальной охраны или на ПЦН СПИ при работе в технических системах централизованной охраны;
- работу в составе АСУ «Базис», СПИ «АСОС Алеся», формирование извещений в соответствии с протоколами информационно-логического обмена СПИ;
- контроль состояния подключенных к ППКО ШС, а также управление исполнительными устройствами посредством релейных выходов;
- различение 5-и состояний для ШС («норма», «обрыв», «короткое замыкание», «срабатывание одного извещателя», «срабатывание двух извещателей»);
- гибкое разбиение ШС на охранные зоны по количеству в зависимости от исполнения ППКО;
- автоматический контроль исправности ШC и каналов связи;
- наличие функции контроля внутреннего состояния прибора;
- отображение состояния ШС прибора, а также общего состояния ППКО и его режимов работы посредством встроенных светодиодных индикаторов прибора;
- звуковое оповещение об изменении состояния ППКО;
- контроль несанкционированного вскрытия корпуса ППКО;
- архивирование событий в журналах ППКО с возможностью их просмотра;
- защиту от несанкционированного вмешательства в функционирование и изменения настроек и режимов при помощи паролей и электронных ключей;
- питание внешних устройств от встроенного источника бесперебойного питания ППКО;
- восстановление состояния ППКО после полного отключения электропитания;
- считывание ключей стандарта DS1990A и защищенных от копирования ключей стандарта DS1961S по протоколу Touch Memory посредством подключаемых к ППКО устройств доступа типа УДС;
- постановку/снятие на охрану при помощи электронных ключей;
- формирование извещения «ТРЕВОГА-ЧУЖОЙ» при попытках подбора ключей доступа;
- возможность снятия с охраны с помощью кнопки подтверждения снятия в течение заданного времени задержки на вход без выдачи сигнала «Снятие под принуждением»;
- программируемое время задержки на вход и выход для охранных ШС в пределах от 1 до 255 с;
- отключение ППКО от АКБ при ее глубоком разряде;
- автоматическое переключение электропитания с основного источника на резервный, автоматическое отключение АКБ при достижении разрядного напряжения, контроль состояния и заряда подключенных АКБ и внутренних схем заряда.
ППКО имеют внутреннюю память до 1536 событий.
- 3.Устройство прибора А12
3.1. Конструктивно прибор состоит из (Рисунок 1):
- пластикового корпуса, состоящего из основания и передней крышки, фиксируемых в закрытом состоянии между собой шурупом;
- центральной платы, которая крепится к стойкам основания корпуса шестью шурупами;
- платы индикации, установленной над центральной платой на разъемном соединении;
- блока питания БП-3/15 в металлическом корпусе, закрепленного под центральной платой на основании корпуса двумя шурупами;
- сетевой колодки с предохранителем, закрепленной ниже центральной платы на основании корпуса шурупом.
ПКП А12 предназначен для монтажа на вертикальную поверхность внутри помещений в местах, защищенных от воздействия атмосферных осадков, возможных механических повреждений и доступа посторонних лиц.
Доступ к элементам прибора становится возможен после снятия передней крышки. Снятие крышки контролируется тампером. В нижней части корпуса прибора предусмотрено место для размещения аккумуляторной батареи емкостью до 9 А*ч. В верхней части корпуса прибора предусмотрено место для размещения модуля связи МС-GSM или МС-GSM (NB-IoT).
Ввод сетевого питания и внешних соединительных линий осуществляется через отверстия c тыльной стороны корпуса ППКО.

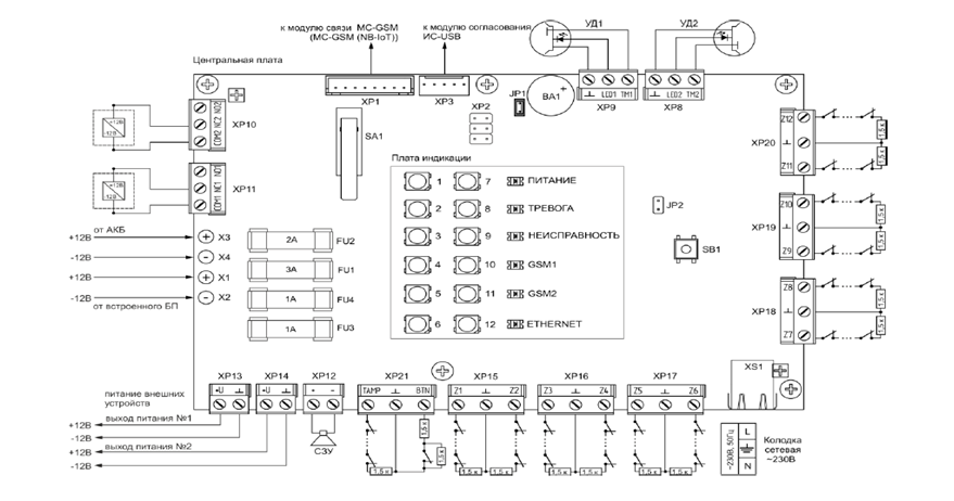
Рисунок 1 - Внешний вид и состав прибора А12
3.2. Назначение элементов и схема подключения центральной платы

Рисунок 2 - Схема подключения ППКО А12/12
Назначение элементов приведено в таблице 1



3.3. Назначение и режимы работы индикации
Светодиодная индикация предназначена для отображения информации о состоянии ППКО, каналов связи и ШС.
На плате индикации расположены:
- 12 двухцветных светодиодных индикаторов для отображения состояния ШС ППКО;
- 6 одноцветных светодиодных индикаторов для отображения общего состояния ППКО и работоспособности каналов связи;
- встроенный звуковой индикатор (расположен на центральной плате).
Светодиод ПИТАНИЕ (зелёный) отображает тип источника питания в настоящий момент времени (СЕТЬ, АКБ. Разряжена АКБ);
Светодиод ТРЕВОГА (красный) отображает наличие тревоги в какой-либо зоне;
Светодиод НЕИСПРАВНОСТЬ (жёлтый) отображает наличие неисправности;
Светодиоды GSM 1, GSM 2 (зелёный) отображают наличие связи по соответствующему каналу GSM, регистрацию или отсутствие SIM-карты в сети оператора связи, не подключен модуль связи;
Светодиод ETHERNET (зелёный) отображает наличие или отсутствие связи по каналу связи Ethernet
Светодиоды Шлейф 1..12 (двухцветные) отображают состояние ШС.
- 4.Основные технические характеристики ППКО А12
Основные технические характеристики ППКО приведены в таблице 2.



Материал можно скачать здесь СКАЧАТЬ
Руководство по эксплуатации можно скачать здесь СКАЧАТЬ
Презентацию можно скачать здесь СКАЧАТЬ
Опорный конспект по теме: Аккумуляторные батареи (АКБ)
План
1. Аккумуляторные батареи и принцип их действия.
2. Устройство герметичных свинцово-кислотных АКБ.
3. Срок службы свинцово-кислотных аккумуляторных батарей.
4. Рекомендации по эксплуатационному обслуживанию и определению остаточной емкости аккумуляторных батарей.
1. Аккумулятор (от лат. accumulator – собиратель) – устройство для накопления энергии с целью её последующего использования. Электрическими аккумуляторами называют устройства, у которых химическая энергия веществ посредством протекающих пространственно разделенных окислительно-восстановительных процессов превращается в электрическую энергию постоянного тока.
Принцип образования ЭДС в аккумуляторах основан на возникновении разности потенциалов между двумя разнородными электродами, помещенными в электролит. При замыкании внешней цепи под действием ЭДС в ней протекает ток разряда электронной проводимости. Внутри аккумулятора протекает ток ионной проводимости и создается внутреннее падение напряжения, а к внешней цепи прикладывается напряжение источника тока.
По мере разряда аккумулятора, его химическая энергия расходуется, напряжение уменьшается, что приводит к уменьшению тока во всей цепи.
В результате разряда активные вещества обоих электродов превращаются в новые, не активные вещества, обладающие различной способностью к восстановлению их активности при заряде от постоянного тока.
Вещества, образовавшиеся в результате разряда аккумуляторов, легко поддаются восстановлению при пропускании через них постоянного тока в обратном направлении (зарядного тока). Поэтому, активные массы аккумуляторов могут использоваться многократно, в отличие от гальванических элементов, которые не допускают протекания разрядных и зарядных химических реакций.
Аккумуляторы собираются в батареи, соединяясь между собой последовательно и параллельно, и реже смешанно.
По типу электролита аккумуляторы делятся на:
- щелочные;
- кислотные.
Для обеспечения основного и резервного питания технических средств охраны в основном используются кислотные аккумуляторные батареи, в частности герметичные свинцово-кислотные аккумуляторные батареи.
Они имеют ряд отличий от других типов аккумуляторов:
Необслуживаемость - батареи герметизированы и полностью готовы к работе. Доливка воды не требуется. Нет эффекта памяти - некоторые аккумуляторы, например, никель-кадмиевые, уменьшают свою емкость при неполном цикле заряда-разряда. Свинцово-кислотные аккумуляторы свободны от такого недостатка.
Небольшой саморазряд - величина саморазряда составляет 2-3 % в месяц при комнатной температуре.
Большие токи нагрузки - поскольку внутреннее сопротивление батареи мало, она способна отдавать большие мощности в нагрузку.
Широкий диапазон рабочих температур - номинальная рабочая температура составляет 20°С, но возможна работа в диапазоне от -10 до + 50°С при 100 % заряде.
2. Устройство герметичных свинцово-кислотных аккумуляторных батарей и химические процессы, протекающие в них.
Герметичные свинцово-кислотные аккумуляторные батареи состоят из:
- положительных пластин, представляющих собой плоские электроды с решеткой из сплава свинец-олово-кальций, на которых находится активная масса из пористой двуокиси свинца (PbO2);
- отрицательных пластин, представляющих собой плоские электроды с решеткой из сплава свинец-олово-кальций, на которых находится губчатый свинец (Pb) в качестве активного материала;
- электролита, состоящего из раствора серной кислоты, используемого как проводящая среда для ионов во время электрохимической реакции в батарее;
- сепараторов, которые удерживают электролит и предотвращают короткое замыкание между отрицательными и положительными пластинами, изготовлены из нетканного стекловолокна и являются химически устойчивыми к электролиту из раствора серной кислоты. Имея пористую структуру, сепараторы удерживают электролит для осуществления реакции активных материалов в пластинах;
- корпуса из пластика ABS, если другое исполнение не оговорено особо;
- клапана (одностороннего), изготовленного из неопрена, который предназначен для выпуска избыточного давления в батарее при выделении газа вследствие неправильного заряда, неправильной работы зарядного устройства или других нестандартных ситуаций, а также для поддержания давления газа на определенном уровне (от 0,07 до 0,43 кПа). При обычном использовании батареи клапан закрыт для предотвращения попадания внешнего воздуха и предохраняет активный материал отрицательного электрода от реакции с кислородом воздуха;
- положительных и отрицательных выводов для подсоединения к аппаратуре.
Разряд – это операция передачи энергии от батареи к внешнему оборудованию.
Заряд – это операция подачи постоянного тока от внешнего источника питания к батарее для химического изменения активного материала в отрицательных пластинах, и, следовательно, запасу в батарее энергии в форме химической энергии.
3. Срок службы свинцово-кислотных АКБ
На рынке Республики Беларусь в основном реализуются герметичные свинцово-кислотные батареи следующих фирм:
"Panasonic" (производство размещено в Китае),
"DiaMec" (производство размещено в Тайване),
"FIAM-GS"(производство размещено в Италии),
"KOBE" (производство размещено в Японии),
"CSB" (дочерняя компания "Кове" - производство в Тайване),
"CASIL"(производство размещено в Китае).
Срок их службы, как и любых свинцово-кислотных аккумуляторных батарей зависит от множества факторов, но в большей мере от:
- модели исполнения и режима эксплуатации;
- температуры, в которой они эксплуатируются;
- условий хранения до реализации;
- величины тока заряда и разряда.
В зависимости от модели исполнения аккумуляторные батареи могут выпускаться в:
- стандартном исполнении;
- с увеличенным сроком службы.
Модели с увеличенным сроком службы при одинаковых условиях эксплуатации по сравнению с аккумуляторными батареями обычного исполнения имеют в два и более раза больший срок службы, но в то же время и в два раза их дороже. Например, срок службы батарей фирмы "Panasonic" в буферном режиме при температуре 20 0 С: LC-R – 5 лет, LC-Х – 10 лет, а Surer MSE – более 15 лет.
Для каждого режима эксплуатации аккумуляторной батареи выпускается своя модель. Различают:
- буферный режим, когда батарея постоянно подзаряжается;
- циклический режим, когда цикл разряда батареи сменяется циклом заряда.
Аккумуляторные батареи, устанавливаемые во все приемно-контрольные приборы, предназначенные для работы в составе АСОС "Алеся", эксплуатируются в буферном режиме.
В приёмно-контрольных приборах "МАХ-16W" и "Maestro" производства израильской фирмы "Visonic", комплектуемых радиопередатчиками и предназначенных для работы в составе РСПИ, аккумуляторные батареи используются в качестве основного источника электропитания радиопередатчика!!! Ток, потребляемый радиопередатчиком очень велик (2,5 – 3 А), но из-за малой длительности передачи аккумулятор сильно разрядиться не успевает. В последующем блок питания ПКП производит подзарядку аккумулятора. Такой режим нельзя назвать буферным, но и нельзя назвать в полной мере циклическим, так как глубина разряда аккумулятора невелика. Данный режим наиболее отрицательно сказывается на срок службы аккумуляторной батареи, поэтому для этих целей целесообразно использовать аккумуляторные батареи, предназначенные для циклического режима эксплуатации с увеличенным сроком службы. Аккумуляторные батареи обычного исполнения, предназначенные для эксплуатации в буферном режиме, прослужат в описанном выше режиме чуть больше полугода.
Чем чаще аккумуляторная батарея используется в течение срока эксплуатации в качестве резервного источника электропитания и чем большим током производится её разряд (чем больше нагрузка), тем срок службы аккумуляторной батареи ниже.
Срок службы аккумуляторной батареи в основном зависит от температурных условий оборудования, в котором используются батареи.
Срок службы у всех аккумуляторных батарей разный, кроме того, чем ниже температура внутри приемно-контрольного прибора, тем срок службы аккумуляторной батареи больше. По этой причине ни один производитель однозначно не указывает срок службы своих аккумуляторных батарей.
Обычно температура внутри приемно-контрольного прибора около 20 0 С, то есть средний срок АКБ стандартного исполнения в зависимости от фирмы-производителя 3-5 лет. Но если прибор установлен вблизи батареи отопления или в месте, где летом он постоянно нагревается солнечными лучами, то есть температура внутри прибора поднимается до 400 С, то срок службы АКБ, установленной в нем, составит чуть больше года, даже если она за это время ни разу не будет использоваться в качестве резервного источника электропитания.
Заряд аккумуляторных батарей. Аккумуляторные батареи должны заряжаться током, рекомендуемым производителем, как правило 0,3С, где С - емкость батареи. Заряжаться батарея должна до достижения ею номинального напряжения. Дальнейший заряд приводит к перезаряду, а длительный перезаряд аккумуляторной батареи сокращает её срок службы.
Отечественные ППК первого выпуска были рассчитаны на заряд аккумуляторных батарей емкостью 7 Ач и в них не было предусмотрено ограничение тока заряда, поэтому при подключении аккумуляторной батареи большей емкости или после длительного отсутствия напряжения сети на объекте из-за большого первоначального тока заряда аккумуляторной батареи выходили из строя и аккумулятор, и зарядный узел прибора. Для устранения этого в уже выпущенных приборах было рекомендовано установить ограничительные резисторы, а в новые модели была заложена функция ограничения тока заряда. Например, в ПКП «Аларм-5» зарядный ток не может быть более 1 А, поэтому и в паспортах ограничение по емкости подключаемой аккумуляторной батареи отсутствует. Но необходимо учитывать, что аккумуляторные батареи емкостью 50 Ач будут заряжаться таким прибором до 1 месяца. Если в этот период пропадет основное электропитание, то такая недозаряженная аккумуляторная батарея свои функции в полной мере не выполнит.
Для обеспечения длительного резервирования технических средств ОПС по питанию целесообразно использовать блоки бесперебойного питания специально предназначенные для этих целей, в сертификатах соответствия которых имеются ссылки на ГОСТ 30379-95. Устанавливать для электропитания систем охраны несертифицированные блоки питания ЗАПРЕЩАЕТСЯ, так как обычные блоки питания не отвечают требованиям стандартов для систем сигнализации. Если на уже действующих объектах резервирование по электропитанию, например, в учреждениях банков, осуществлено с помощью внешней аккумуляторной батареи емкостью 50 Ач, то после использования её в качестве резервного электропитания, необходимо батарею отключать от прибора и заряжать от отдельного зарядного устройства током, рекомендуемым производителем.
Нельзя допускать разряда аккумуляторной батареи ниже определенного напряжения, определяемого производителем. Величина этого минимального напряжения зависит от тока разряда. Если учесть, что ПКП примерно потребляют 0,2 А, то конечное напряжение 12-вольтовой батареи не должно быть меньше, как правило, 10,8 В. Глубокий разряд и длительное хранение разряженной батареи может привести к необратимой потере емкости батареи.
4. Порядок эксплуатационного обслуживания и определение остаточной емкости аккумуляторных батарей. В связи с тем, что срок службы аккумуляторной батареи зависит от многих факторов, а все эксплуатируемые в настоящее время ПКП контролируют только наличие 12В постоянного тока (напряжение «холостого хода» аккумуляторной батареи, но не емкости) на клеммах для подключения резервного электропитания, необходимо строго соблюдать все требования технологических карт по выполнению регламентных работ приемно-контрольных приборов. Согласно п. 3 технологической карты № 1 ПКП проверка работоспособности его при питании от резервного источника проводится при выполнении Регламента № 1 (на объектах – ежемесячно, на квартирах граждан – 1 раз в год). Для проверки приемно-контрольный прибор отключается от сети. Переход прибора на питание от аккумуляторной батареи не должен нарушать его работоспособность, а аккумуляторная батарея при этом должна обеспечивать работоспособность ПКП на квартирах граждан в течение не менее 10 минут.
На объектах, особенно в случаях когда ПКП контролируется и пожарная сигнализация, которая согласно СНБ 2.02.05-2004 должна иметь резервное электропитание не менее 24 часов в дежурном режиме и 3 часов в режиме тревоги, для более точной оценки остаточной емкости аккумуляторной батареи необходимо применять нагрузочный блок, изготовленный из резисторов, или галогеновую лампочку 12 В мощностью 50 Вт. Лампочку или блок резисторов, рассчитанный на ту же мощность, необходимо подключить к клеммам аккумуляторной батареи и через 2 минуты с помощью тестера измерить напряжение на клеммах аккумуляторной батареи, не отключая лампочку или резисторы (провести измерение под нагрузкой). Напряжение на клеммах аккумулятора должно быть не менее 12 В. Если напряжение на клеммах батареи ниже 12 В, то это свидетельствует о потере ею более 70% первоначальной емкости и необходимо решать вопрос с владельцем батареи о её замене и предстоящем списании. Для замены батареи в системах охранно-пожарной сигнализации можно использовать возможности подразделений МЧС. Если аккумуляторная батарея не эксплуатировалась в буферном режиме (в режиме постоянного подзаряда), а, например, хранилась, то перед началом тестирования её рекомендуется полностью зарядить до номинального значения, в противном случае, при тестировании не полностью заряженной батареи, показания тестера могут быть занижены относительно истинного значения емкости батареи.
Результаты измерений емкости существенно зависят от качества контакта клемм аккумуляторной батареи с измерительными проводами, поэтому перед подключением тестера остаточной емкости или комбинированного прибора необходимо убедиться в отсутствии на клеммах батареи загрязнений.
Материал можно СКАЧАТЬ
